| Номинальный диаметр | Резьба E | Внутренний D фитинга | Размер A | Размер C | Размер под ключ S2 | |
|---|---|---|---|---|---|---|
| мм | inch | - | мм | мм | мм | мм |
| 6 | 1/4" | M12*1,5 | 4 | 26 | 1 | 17 |
| M14*1,5 | 4 | 27,5 | 2 | 19 | ||
| M16*1,5 | 4 | 28 | 2 | 22 | ||
| 8 | 5/16" | M16*1,5 | 5 | 28 | 2 | 22 |
| M18*1,5 | 5 | 27,5 | 1,8 | 22 | ||
| M22*1,5 | 5 | 29,5 | 2,1 | 27 | ||
| 10 | 3/8" | M14*1,5 | 6 | 27,5 | 2 | 19 |
| M16*1,5 | 6 | 28 | 2 | 22 | ||
| M18*1,5 | 6 | 29 | 2,5 | 24 | ||
| M22*1,5 | 6 | 29 | 2,5 | 27 | ||
| 12 | 1/2" | M18*1,5 | 8 | 29,5 | 2,5 | 24 |
| M22*1,5 | 8 | 32 | 2,5 | 27 | ||
| 16 | 5/8" | M26*1,5 | 10 | 35 | 2,5 | 32 |
| M27*1,5 | 10 | 28 | 2,5 | 32 | ||
| M30*2 | 10 | 35 | 4 | 36 | ||
| 20 | 3/4" | M26*1,5 | 12 | 35 | 2,5 | 32 |
| M27*1,5 | 12 | 35 | 2,5 | 32 | ||
| M30*2 | 12 | 38 | 4 | 36 | ||
| M36*2 | 12 | 35 | 4 | 41 | ||
| 22 | 7/8" | M36*2 | 14 | 36 | 4 | 41 |
| 25 | 1" | M45*2 | 16 | 41 | 5 | 55 |
| 32 | 1.1/4" | M45*2 | 20 | 42 | 5 | 55 |
| M52*2 | 20 | 44 | 5,5 | 60 | ||
| 40 | 1.1/2" | M52*2 | 24 | 44 | 5,5 | 60 |
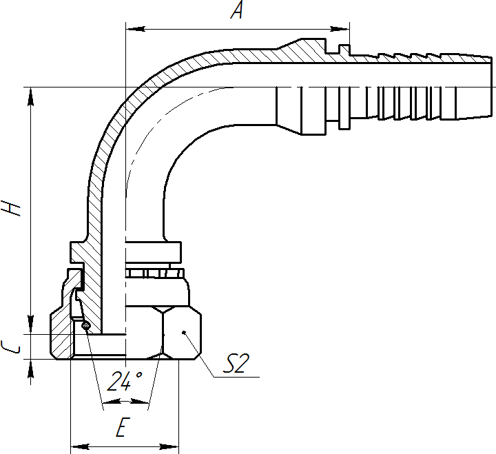
| Номинальный диаметр | Резьба E | Внутренний D фитинга | Размер A | Размер C | Размер H | Размер под ключ S2 | |
|---|---|---|---|---|---|---|---|
| мм | inch | - | мм | мм | мм | мм | мм |
| 6 | 1/4" | M14*1,5 | 4 | 49 | 2 | 27 | 19 |
| 8 | 5/16" | M16*1,5 | 5 | 51,5 | 2 | 28,2 | 22 |
| M18*1,5 | 5 | 46,2 | 2,5 | 22,9 | 22 | ||
| M22*1,5 | 5 | 48,3 | 2,5 | 25 | 27 | ||
| 10 | 3/8" | M16*1,5 | 6 | 53,4 | 2 | 29,2 | 22 |
| M18*1,5 | 6 | 54,2 | 2,5 | 29,9 | 24 | ||
| M22*1,5 | 6 | 50,4 | 2,5 | 25,7 | 27 | ||
| 12 | 1/2" | M22*1,5 | 8 | 68,1 | 2,5 | 33,2 | 27 |
| M26*1,5 | 8 | 62 | 2,5 | 26,1 | 32 | ||
| 16 | 5/8" | M26*1,5 | 10 | 80,7 | 2,5 | 35,9 | 32 |
| M27*1,5 | 10 | 72 | 2,5 | 27,7 | 32 | ||
| M30*2 | 10 | 75,1 | 4 | 30,3 | 36 | ||
| 20 | 3/4" | M26*1,5 | 12 | 86,9 | 2,5 | 39,5 | 32 |
| M27*1,5 | 12 | 86,9 | 2,5 | 39,5 | 32 | ||
| M30*2 | 12 | 89,1 | 4 | 41,7 | 36 | ||
| M36*2 | 12 | 82 | 4 | 33,9 | 41 | ||
| 22 | 7/8" | M36*2 | 14 | 83,7 | 4 | 33,3 | 41 |
| 32 | 1.1/4" | M45*2 | 20 | 99,6 | 5 | 40,8 | 55 |
| M52*2 | 20 | 103 | 5,5 | 41,9 | 60 | ||
| 40 | 1.1/2" | M52*2 | 24 | 117 | 5,5 | 45,8 | 60 |
| Номинальный диаметр | Резьба E | Внутренний D фитинга | Размер A | Размер C | Размер H | Размер под ключ S2 | |
|---|---|---|---|---|---|---|---|
| мм | inch | - | мм | мм | мм | мм | мм |
| 5 | 1/5" | M12*1,5 | 3 | 26,5 | 1 | 41,5 | 17 |
| 6 | 1/4" | M12*1,5 | 4 | 30 | 1 | 44,5 | 17 |
| M14*1,5 | 4 | 30 | 2 | 46 | 19 | ||
| M16*1,5 | 4 | 30 | 2 | 46,5 | 22 | ||
| 8 | 5/16" | M16*1,5 | 5 | 33 | 2 | 49,5 | 22 |
| M18*1,5 | 5 | 33 | 2,5 | 42 | 22 | ||
| 10 | 3/8" | M16*1,5 | 6 | 35,3 | 2 | 51,8 | 22 |
| M18*1,5 | 6 | 35,3 | 2,5 | 53,3 | 24 | ||
| M22*1,5 | 6 | 35,3 | 2,5 | 47,3 | 27 | ||
| 12 | 1/2" | M22*1,5 | 8 | 41 | 2,5 | 61 | 27 |
| M26*1,5 | 8 | 42 | 2,5 | 51 | 32 | ||
| 16 | 5/8" | M26*1,5 | 10 | 56,5 | 2,5 | 67,5 | 32 |
| M27*1,5 | 10 | 56,5 | 2,5 | 67,5 | 32 | ||
| M30*2 | 10 | 56,5 | 4 | 57,2 | 36 | ||
| 20 | 3/4" | M26*1,5 | 12 | 65,5 | 2,5 | 77 | 32 |
| M27*1,5 | 12 | 65,5 | 2,5 | 77 | 32 | ||
| M30*2 | 12 | 65,5 | 4 | 80 | 36 | ||
| M36*2 | 12 | 65,5 | 4 | 69 | 41 | ||
| 22 | 7/8" | M36*2 | 14 | 71,2 | 4 | 70 | 41 |
| 25 | 1" | M45*2 | 16 | 76,7 | 5 | 75 | 55 |
| 32 | 1.1/4" | M45*2 | 20 | 91,5 | 5 | 88,5 | 55 |
| M52*2 | 20 | 93 | 5,5 | 87 | 60 | ||
| 40 | 1.1/2" | M52*2 | 24 | 109,4 | 5,5 | 104 | 60 |
| Номинальный диаметр | Резьба E | Внутренний D фитинга | Размер A | Размер C | Размер под ключ S2 | |
|---|---|---|---|---|---|---|
| мм | inch | - | мм | мм | мм | мм |
| 6 | 1/4" | M12*1,5 | 4 | 20,5 | 10 | 12 |
| M14*1,5 | 4 | 20,5 | 10 | 14 | ||
| 8 | 5/16" | M14*1,5 | 5 | 21,5 | 10 | 14 |
| M16*1,5 | 5 | 22,5 | 11 | 17 | ||
| M18*1,5 | 5 | 23,5 | 11 | 19 | ||
| 10 | 3/8" | M16*1,5 | 6 | 22,5 | 11 | 17 |
| M18*1,5 | 6 | 21,5 | 11 | 19 | ||
| M22*1,5 | 6 | 24,5 | 12 | 24 | ||
| 12 | 1/2" | M22*1,5 | 8 | 26 | 12 | 24 |
| M26*1,5 | 8 | 26,5 | 12 | 27 | ||
| 16 | 5/8" | M26*1,5 | 10 | 27 | 12 | 27 |
| M27*1,5 | 10 | 32 | 14 | 30 | ||
| M30*2 | 10 | 29 | 14 | 32 | ||
| 20 | 3/4" | M30*2 | 12 | 29 | 14 | 32 |
| 25 | 1" | M36*2 | 16 | 31,5 | 14 | 38 |
| 32 | 1.1/4" | M45*2 | 20 | 36 | 16 | 46 |
| 40 | 1.1/2" | M52*2 | 24 | 38 | 16 | 55 |