| Номинальный диаметр | Резьба E | Внутренний D фитинга | Размер A | Размер C | Размер под ключ S2 | |
|---|---|---|---|---|---|---|
| мм | inch | - | мм | мм | мм | мм |
| 6 | 1/4" | M14*1,5 | 4 | 28,5 | 1,1 | 19 |
| M16*1,5 | 4 | 29 | 1,5 | 22 | ||
| M18*1,5 | 4 | 26,5 | 2 | 22 | ||
| 8 | 5/16" | M16*1,5 | 5 | 29 | 1,5 | 22 |
| 10 | 3/8" | M18*1,5 | 6 | 9 | 2 | 24 |
| M20*1,5 | 6 | 28,5 | 2,5 | 24 | ||
| M22*1,5 | 6 | 28,5 | 2,5 | 27 | ||
| M24*1,5 | 6 | 28,5 | 2,5 | 30 | ||
| 12 | 1/2" | M20*1,5 | 8 | 31,5 | 2,5 | 27 |
| M22*1,5 | 8 | 31,5 | 2,5 | 27 | ||
| M24*1,5 | 8 | 30 | 3 | 30 | ||
| 16 | 5/8" | M30*2 | 10 | 36 | 3 | 36 |
| 20 | 3/4" | M30*2 | 12 | 39 | 3 | 36 |
| M36*2 | 12 | 36 | 3 | 41 | ||
| M42*2 | 12 | 40 | 5 | 50 | ||
| 25 | 1" | M42*2 | 16 | 41 | 5 | 50 |
| 32 | 1.1/4" | M52*2 | 20 | 44 | 6,5 | 60 |
| 40 | 1.1/2" | M52*2 | 24 | 44 | 6,5 | 60 |
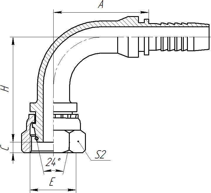
| Номинальный диаметр | Резьба E | Внутренний D фитинга | Размер A | Размер C | Размер H | Размер под ключ S2 | |
|---|---|---|---|---|---|---|---|
| мм | inch | - | мм | мм | мм | мм | мм |
| 6 | 1/4" | M14*1,5 | 4 | 50,1 | 1,1 | 28 | 19 |
| M16*1,5 | 4 | 50,4 | 1,5 | 28,3 | 22 | ||
| M18*1,5 | 4 | 43,4 | 2 | 21,3 | 22 | ||
| 8 | 5/16" | M16*1,5 | 5 | 52,2 | 1,5 | 28,9 | 22 |
| 10 | 3/8" | M18*1,5 | 6 | 54,3 | 2 | 29,6 | 24 |
| M20*1,5 | 6 | 49,7 | 2,5 | 25 | 24 | ||
| M22*1,5 | 6 | 49,6 | 2,5 | 25,3 | 27 | ||
| 12 | 1/2" | M20*1,5 | 8 | 67,8 | 2,5 | 32,8 | 27 |
| M22*1,5 | 8 | 68,1 | 2,5 | 33,2 | 27 | ||
| M24*1,5 | 8 | 62,5 | 3 | 27,5 | 30 | ||
| 16 | 5/8" | M24*1,5 | 10 | 80,7 | 2,5 | 35,9 | 30 |
| M30*2 | 10 | 75,8 | 3 | 31 | 36 | ||
| 20 | 3/4" | M30*2 | 12 | 90,5 | 3 | 42,4 | 36 |
| M36*2 | 12 | 82,7 | 3 | 34,6 | 41 | ||
| 22 | 7/8" | M36*2 | 14 | 84,4 | 3 | 34 | 41 |
| 25 | 1" | M42*2 | 16 | 92,3 | 5 | 36,8 | 50 |
| 32 | 1.1/4" | M52*2 | 20 | 103,4 | 6,5 | 41,2 | 60 |
| 40 | 1.1/2" | M52*2 | 24 | 115,9 | 6,5 | 45,1 | 60 |
| Номинальный диаметр | Резьба E | Внутренний D фитинга | Размер A | Размер C | Размер H | Размер под ключ S2 | |
|---|---|---|---|---|---|---|---|
| мм | inch | - | мм | мм | мм | мм | мм |
| 6 | 1/4" | M14*1,5 | 4 | 30 | 1,1 | 47,5 | 19 |
| M16*1,5 | 4 | 30 | 1,5 | 48 | 22 | ||
| 8 | 5/16" | M16*1,5 | 5 | 33 | 1,5 | 51 | 22 |
| M18*1,5 | 5 | 33 | 2 | 41,5 | 22 | ||
| 10 | 3/8" | M18*1,5 | 6 | 35,3 | 2 | 52,8 | 24 |
| M20*1,5 | 6 | 35,8 | 2,5 | 46,3 | 24 | ||
| M22*1,5 | 6 | 35,3 | 2,5 | 46,8 | 27 | ||
| 12 | 1/2" | M20*1,5 | 8 | 41 | 2,5 | 61 | 27 |
| M22*1,5 | 8 | 41 | 2,5 | 61 | 27 | ||
| M24*1,5 | 8 | 41 | 3 | 53 | 30 | ||
| 16 | 5/8" | M24*1,5 | 10 | 56,5 | 2,5 | 67,5 | 30 |
| M30*2 | 10 | 56,5 | 3 | 60,5 | 36 | ||
| 20 | 3/4" | M30*2 | 12 | 65,5 | 3 | 81 | 36 |
| M36*2 | 12 | 66,2 | 3 | 70 | 41 | ||
| 25 | 1" | M42*2 | 16 | 78 | 5 | 77,5 | 50 |
| 32 | 1.1/4" | M52*2 | 20 | 93 | 6,5 | 89 | 60 |
| 40 | 1.1/2" | M52*2 | 24 | 109,4 | 6,5 | 103 | 60 |
| Номинальный диаметр | Резьба E | Внутренний D фитинга | Размер A | Размер C | Размер под ключ S2 | |
|---|---|---|---|---|---|---|
| мм | inch | - | мм | мм | мм | мм |
| 6 | 1/4" | M14*1,5 | 4 | 24,1 | 12 | 14 |
| M16*1,5 | 4 | 26,5 | 12 | 17 | ||
| M18*1,5 | 4 | 26,5 | 12 | 19 | ||
| 8 | 5/16" | M20*1,5 | 5 | 27 | 12 | 22 |
| M22*1,5 | 5 | 30,5 | 14 | 24 | ||
| 10 | 3/8" | M20*1,5 | 6 | 26,5 | 12 | 22 |
| M22*1,5 | 6 | 30,5 | 14 | 24 | ||
| 12 | 1/2" | M22*1,5 | 8 | 31 | 14 | 24 |
| M24*1,5 | 8 | 31,5 | 14 | 27 | ||
| 16 | 5/8" | M30*2 | 10 | 36 | 16 | 32 |
| 20 | 3/4" | M30*2 | 12 | 36 | 16 | 32 |
| M36*2 | 12 | 40,5 | 18 | 41 | ||
| 25 | 1" | M36*2 | 16 | 41,5 | 18 | 38 |
| M42*2 | 16 | 44 | 20 | 46 | ||
| 32 | 1.1/4" | M42*2 | 20 | 45 | 20 | 46 |
| M52*2 | 20 | 50 | 22 | 55 | ||